冷冻站设备自动化系统的控制
冷冻站监控系统施工前准备:
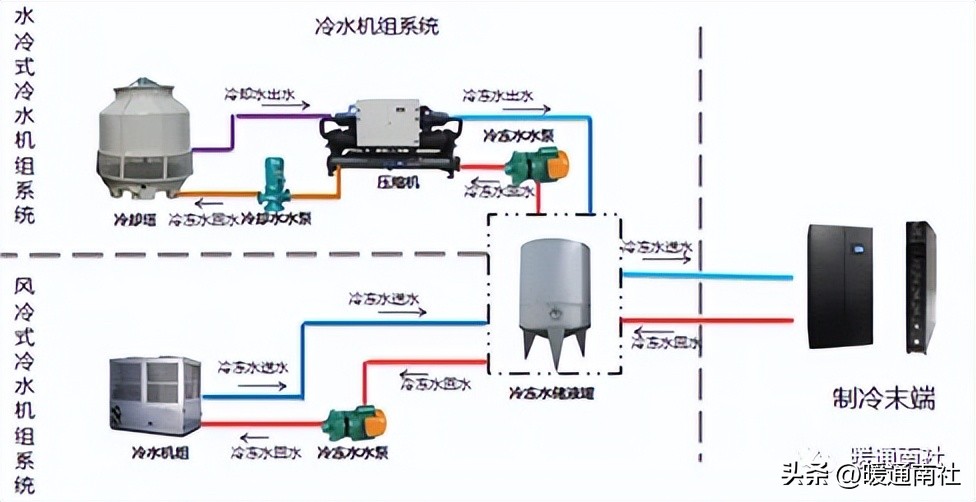
中央空调中冷源设备作用与种类:
冷源设备的作用:为中央空调提在供冷时提供冷量的来源。
冷源的种类:
1)天然冷源(较难获得):一般是指深井水、山润水等温度较低的水,直接用水泵抽取供给空调系统的喷水室、表冷器等空气处理设备。
2)人工冷源:使用制冷设备以人工方法制取的冷量。
中央空调系统中的冷源,常称为冷冻站,所在的房间称为冷冻机房。
冷冻站一般包括如下三部分:
1)冷水机组:空调冷冻水由制冷机(冷水机组)提供。
2)冷冻水分配系统:
⑴把冷冻水传输和分配到各末端用户。
⑵冷冻水将从各末端用户吸收的热量在蒸发器中传递给制冷剂。
3、冷却水循环系统
1)制冷剂吸收的热量在冷凝器中传递给冷却水。
2)冷却水系统将热量排放到大气环境中。
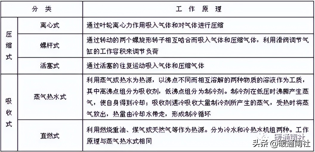
冷水机组通常分为压缩式冷水机组、吸收式冷水机和蓄冰式制冷机三大类。
(一)压缩式冷水机组
1)根据其压缩机类型不同,可分为活塞式、离心式和螺杆式三种;
根据其冷凝器的冷却方式不同,又可分为水冷式和风冷式。
2)在空调系统中是应用最广泛的制冷设备。
3)以消耗电能作为补偿,通常以氟利昂或氨作为制冷剂。
4)压缩式冷水机组中,制冷剂蒸汽在压缩机内被压缩成高压蒸汽进入冷凝器,制冷剂和冷却水在冷凝器中进行热交换,制冷剂放热后变为高压液体,通过液力膨胀阀后,液态制冷剂压力急剧下降,变为低压液态制冷剂进入蒸发器。在蒸发器中,低压液态制冷剂通过与冷冻水的热交换而汽化,吸收冷冻水的热量程为低压蒸气,再经过回气管重新吸入压缩机,开始新的循环。在压缩式冷水机组的工作过程中,制冷量即制冷剂在蒸发器中进行相变时所吸收的汽化潜热。



(二)吸收式冷水机组
和压缩式冷水机组一样,吸收式冷水机组也是利用低压制冷剂的蒸发产生的汽化潜热进行制冷,区别是压缩式制冷以电为能源,而吸收式制冷以热为能源。吸收式冷水机组多采用溴化锂水溶液作为制冷冷媒,其中水为制冷剂,溴化锂为吸收剂。


压缩式冷水机组与吸收式冷水机组的对比:

(三)蓄冰制冷机组
蓄冰制冷机组是一种既能制冷,也能将制冷的冷量储存起来,待需要时再给客户制冷的一种制冷机组,也叫双工况制冷机。它的主要优势就是利用波峰、波谷的电价优势,晚间23点~次日7点的低谷电价开启制冷机组,将制冷产生的冷量存储在蓄冰槽内,白天再开启乙二醇泵和冷冻泵给客户供冷。

冷冻站制冷系统五大件:
1、冷水机组:把高温的冷冻水的热量有效的传导给低温的冷却水,冷冻 、冷却水的温差为4-6度。
2、冷却塔:主要把冷却水冷却后返回冷水机组。
3、冷却泵:主要把从冷水机组出来的高温冷却水送至冷却泵。
4、冷冻泵:送低温的冷冻水给用冷区域,被换热后再送回冷水机组。
5、用冷区域。
冷冻站制冷系统的原理:
1、通过冷冻泵把空调主机产生的温度较低的冷冻水送到用冷区域交换成温度较高的冷冻水回到冷水机组。
2、然后通过冷水机组把温度高的冷冻水的热量传导给温度低的冷却水成温度高的冷却水。
3、温度高的冷却水通过冷却泵送到冷却塔后,通过冷却塔把热量排到户外,后成温度低的冷却水回到冷水机组。


冷冻站制冷系统启动顺序:
1)打开冷却及冷冻泵进出水阀门
2)打开空调主机的进出水阀门
3)打开冷却塔进出水阀门
4)启动冷却塔
5)启动冷却泵
6)启动冷冻泵
7)启动主机
冷冻站制冷系统停止顺序:
1)停止空调主机
2)停止冷冻泵
3)停止冷却泵
4)停止冷却塔
5)关闭冷却泵及冷冻泵进出水阀门
6)关闭空调主机的进出水阀门
7)关闭冷却塔进出水阀门
先打开主机、冷却泵、冷冻泵、冷却塔的进出水阀门的原因:
1)冷冻站制冷主要靠水传递
2)水则靠水泵及管道输送
3)因此在水泵尚未起动之前,阀门先开来保证管路的通畅
4)如管路不通,一旦水泵起动,在巨大的水压下管道将爆裂
再开冷却塔后冷却泵后冷冻泵后主机的原因:
1)冷却塔要保证冷却水能正常散热
2)冷却泵要保证能正常循环吸收主机传导的热量
3)冷冻泵要保证能正常循环给主机放出热量
冷冻站监控系统的监控需求与功能分析:

冷水机组监控内容:
民用建筑中,冷水机组的监控一般由自带控制器完成,BA系统通过通讯接口或干节点方式监控以下内容:
1、冷水机组启/停控制及状态监视
2、冷水机组故障报警监视
3、冷水机组的手/自动控制状态监视
4、冷水机组进出水温度、流量或水流状态等(这些监控也可由BA系统安装传感器自行完成)
工程中具体获取哪些数据需与厂商进行协调。
除对冷水机组本身的控制外。楼宇自控系统还要对各冷水机组的冷冻水、冷却水进水阀进行控制,还根据需要测量冷冻水、冷却水进/回水的温度、流量等参数。
冷冻水回路(水泵不变频)监控内容:
1、冷冻水泵监控
(1)冷冻水泵的启/停及状态监视
(2)冷冻水泵故障报警监视
(3)冷冻水泵的手/自动控制状态监视等
(4)蝶阀控制及水流状态
2、冷冻水供/回水的监测参数
(1)冷冻水供/回水温度监测
(2)冷冻水供/回水总管压力监测
(3)冷冻水循环流量监测等
冷却水回路监控内容:
1、冷却塔监控
(1)启停控制及状态监视
(2)故障及手自动监视
(3)蝶阀控制
2、冷却水泵监控
(1)启停控制及状态监视
(2)故障及手自动监视
(3)蝶阀控制及水流状态
3、冷却水供/回水监测
(1)回水温度

冷冻水供回水总管温度及流量测取位置:

特殊情况下冷冻水供回水总管温度及流量的测取位置:

冷冻水回路水泵变频控制方式:

冷冻站监控系统原理图:


单台冷水机组的监控:
1、冷水机组自带控制系统
2、BAS对冷水机组采用的策略:“监测为主,控制为辅”,对冷水机组内部的运行不直接控制。
大型建筑中通常使用多台冷水机组为空调末端设备提供冷量
1、当冷冻站的供冷能力>实际所需的制冷量时,关停其中正在运行的一台冷水机组;
2、当实际所需的制冷量>在运行的冷水机组所能提供的最大制冷量时,开启一台冷水机组。
在满足末端负荷需求的前提下,根据建筑的冷负荷启停冷水机组,通过合理的控制使所有冷水机组的总运行时间大致相等,可以延长冷水机组运行寿命,降低其维修费用和发生故障的概率。
对所有冷水机组的启停顺序的控制,通常也叫时序控制,也就是工程上所说的冷水机组的群控问题。
群控的序列策略,就是解决两方面的问题:
1、在启动下一台制冷机组时,决定哪一台开启?
2、在停止一台运行的制冷机组时,决定哪一台停止?
群控的目的:与设备管理、维修计划更好地配合,充分利用设备的无故障周期,提高设备的使用寿命。
群控的原则:延长机组设备的使用寿命,节能。
群控的实施:
1、冷水机组运行时间、启动次数记录;
2、启停逻辑判断与控制(序列策略)
冷水机组运行台数的确定:
冷水机组是空调工程和需要冷水的工艺系统的关键设备,冷水机组的选型就是要合理地选定机型和台数。
冷水机组选择的原则:
(1)建筑物的冷负荷大小,全年冷负荷的分布规律。由冷冻水总供回水温度差及供水流量,计算实际冷负荷,决定冷冻机组应运行台数,并自动启停冷冻机组以满足冷负荷需要。
(2)当地的水源(包括水量、水温及水质)、电源和热源(包括热源性质、品位高低)的情况。
(3)初投资和运行费用。
(4)冷水机组的特性(包括性能系数、尺寸大小、调节性能、价格、冷量范围及使用工质等)。
冷负荷计算:Q=K×M×(T1-T2)
其中:Q:负荷,K:常数,M:流量;
T1:冷水回水总管温度,T2:冷水供水总管温度

冷水机组选择时的注意事项:
(1)台数一般以选用2-4台为宜,中小型规模宜选用2台,较大型可选用3台,特大型可选用4台,机组之间要考虑互为备用和切换使用的可能性。
(2)同一机房内选用不同类型、不同容量的机组搭配的组合方案,以节约能耗。并联运行的机组中至少应选择一台自动化程度较高,调节性能较好,能保证部分负荷下高效运行的机组。
(3)对有合适热源特别是有余热或废热的场所或电力缺乏的场所,宜采用吸收式冷水机组。
(4)选择电力驱动的冷水机组,当单机制冷量大于1163kw时,宜采用离心式;当单机制冷量在582-1163kw之间时,宜选用离心式或螺杆式;当单机制冷量小于582kw时,宜选用活塞式。选用活塞式冷水机组时,优先选用多机头自动联控的冷水机组。
(5)根据建筑物用途、冷量特点及投资费用等实际情况综合考虑决定是否配备备用机组。

各机组设备的运行累计时间、启动次数尽可能相同。
1、每次启动系统时应优先启动累计运行时间最少的设备
2、需记录各机组设备的运行累计时间及启动次数

多台冷水机组启/停流程图:

在需要启动一台冷水机组时可按:
1、当前停运时间最长的优先;
2、累计运行时间最少的优先;
3、轮流排队;
……
在需要停止一台冷水机组时可按:
1、当前运行时间最长的优先;
2、累计运行时间最长的优先;
3、轮流排队;
……
二次接线图的绘制:

冷冻站监控系统试运行:
冷冻站系统调试前系统检查:
设备的检查:
设备单机试运转及测试:
1、水泵的单机试运转及测试步骤:
设备名称
单机测试项目
冷冻、冷却水泵
确定系统检查工作完毕并已经将所有发现问题解决
调整支路阀门开启状态,确保末端流量与一台水泵流量相匹配
经水泵厂家现场再次检查认可后,准备启动泵
单台点动水泵,检查电机的旋转方向是否正确
所有水泵确认无反转后,开始单台启动泵
判断水泵运行声音是否正常,测试噪声,确定是否在设备技术文件要求范围内
核查电流是否过载
试运行水泵不少于2小时,运行过程中,检查轴承温度是否正常
进行单机测试:记录电流、电压、测试转速、测出流量
检查水泵进出口压力是否正常
以上问题无误后,进行下一台水泵的试运转与测试,测试项目同上
2、冷却塔的单机试运转及测试步骤:
设备名称
单机测试项目
冷却塔
确定系统检查工作完毕并已经将所有发现问题解决
其它无关塔的进出口阀门关闭
开启要调试的冷却塔的进出口阀门
点动冷却塔风机,检查风机的旋转方向是否正确
测定风机的电机启动电流和运转电流,不应超过额定值
风机正常后,启动一台冷却泵;
确定冷却塔运行时本体应稳固、无异常振动,各类紧固件均无松动
测试运行时噪音,结果应符合设备技术文件的规定
冷却塔风机与冷却水系统循环试运行不少于2h,运行应无异常情况
以上问题无误后,进行下一台冷却塔的试运转与测试;测试项目同上
进行单机测试:记录电流、电压、测试转速、测出流量、风量
3、冷水机组的单机试运转及测试的步:
设备名称
单机测试项目
冷水机组
确定系统检查工作完毕并已经将所有发现问题解决
开启要调试的冷水机组的进出口阀门
启动一台冷却塔,并开启此塔的进出口阀门
启动与一台冷水机组所提供负荷相符的末端设备
分别启动一台冷却水循环泵和一台冷冻水循环泵
在厂家的配合下启动冷水机组
检查冷水机组的各项参数
测试冷冻水和冷却水流量、压力、温度及电流,应达到设计要求
确定冷水机组运行时本体稳固、无异常振动,各类紧固件均无松动
测试运行时噪音,结果应符合设备技术文件的规定
以上问题无误后,进行下一台冷水机组的试运转与测试
设备的联动及平衡调试:
系统中所有单机试运行确定没有问题后,开始对设备进行联动,联动调试时电源应使用正式供电,并保证供电的稳定性和设备接线的正确性。
1、水泵的联动及平衡调试
空调冷冻水系统的调试方法:
将末端支管及空调设备的所有阀门打开,逐台启动循环水泵,待管道上压力表读数稳定后,记录读数,依次测试水泵电流,测量流经每个水泵的流量;水泵并联运行后流量分配会发生变化,用阀门调整,相差范围在10%为合格,调整过程中要注意压力表数值变化及总流量变化,控制在设计值的10%以内。
2、冷水机组联动及平衡调试
冷水机组联动运行必须在所有系统调试完毕后进行,并且要选择环境负荷满足冷水机组同时运行的要求时进行。在一个完整的系统中,首先启动末端设备及冷却塔,然后启动冷冻水循环水泵、冷却水循环水泵,最后逐台启动冷水机组,待运行稳定后,测试记录流经每台冷水机组的流量,冷冻水和冷却水的进出水温度,冷水机组的运行电压、电流;测试记录流经每台冷却塔的流量,进出口空气的干湿球温度;整个系统停止运行时,应先关闭冷水机组,然后再关闭末端设备、关闭冷冻水循环泵、冷却水循环泵、冷却塔。
管路系统的平衡调试:
在空调水系统中,水力失调是最常见的问题。由于水力失调导致系统流量分配不合理,某些区域流量过剩,某些区域流量不足,造成某些区域冬天不热、夏天不冷的情况,系统输送冷、热量不合理,从而引起能量的浪费,因此必须对系统流量分配进行平衡。
1、设计流量值
对于空调水系统,在流量平衡调试前,需与设计人员充分沟通,取得系统相关流量参数。至少应该包括以下数据:
干管流量值,立管流量值,支管流量值,末端设备流量值,水泵及泵组流量值,压差平衡阀的压差值。
2、实际流量测试
平衡阀流量的测量:通过平衡阀两端流量测孔以及厂家配套测量仪器进行测量。
管路的流量测量:在无平衡阀的管路上采用超声波流量计进行测量。
3、系统的流量调节元素
管路上的截止阀、蝶阀、平衡阀等都具有一定的流量调节能力,尤其是平衡阀,具有良好的流量调节特性。因此在调节流量时,优先调节平衡阀,再考虑调节其它阀门。
冷水机组、冷却塔性能的测试:
所有测试结束后,要根据所测数据对冷水机组和冷却塔性能做出评价,用来判断设计、施工、设备选型的合理性及产品本身的质量水平,从而控制能量浪费、创造舒适环境、提高维护效率为今后设备的运行及保修提供可指导性的资料。
(1)冷水机组的性能测试
冷水机组的性能系数一般以COP表示。它标志着制取单位冷量所需消耗的能量,所以,是评价设备节能性能的主要指标。
COP一般以下式表示:COP=Q/∑N
冷水机组COP=c×G×(t2-t1)/∑N
式中:
Q-制冷机的产冷量,kW;
∑N-制冷系统的轴功率(制冷主机、辅机、循环水泵、冷却水泵、风冷冷凝器风机的总和),kW;
G-冷水流量,kg/s;
c-冷水的比热容,kJ/(kg∙℃);
t1、t2-冷水的进、出口温度,℃。
(2)冷却塔的性能测试
测试条件:补水畅通满足要求,清洗承水盘,过滤器;冷却塔上的填料是否有异物。
冷却塔周边空气风速不能超过4.5m/s,测量点数为5m2至少5个。
入口处的湿球温度在设计±5℃以内,干球温度在设计的±10℃以内。
温度测量时测量点应均匀分布在冷却塔四周,测量时应避免直线光线的照射。
水质检测:可把测试时的水质取样品提供给检测单位进行检测,如检测不合格,还要重新测。
冷却能力的计算:
冷却量=比热(kcal/h)×水流量(kg/h)×温差(℃)
评价:冷却能力=标准冷却量/设计标准冷却量×100%
冷却能力不应小于产品冷却能力的90%。
