环球今头条!adc0809工作原理是什么?adc0809是怎么运行的?

【资料图】
最近小编看到大家都在讨论adc0809工作原理相关的事情,对此呢小编也是非常的感应兴趣,那么这件事究竟是怎么发生的呢?具体又是怎么回事呢?下面就是小编搜索到的关于adc0809工作原理事件的相关信息,我们一起来看一下吧!
adc0809工作原理
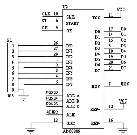
adc0809的工作原理是采样频率为8位的、以逐次逼近原理进行模、数转换的器件,其内部有一个8通道多路开关,它可以根据地址码锁存译码后的信号,只选通8个单断模拟输入信号中的一个进行A/D转换。
ADC0809是美国国家半导体公司生产的CMOS工艺8通道,8位逐次逼近式A/D模数转换器。其内部有一个8通道多路开关,它可以根据地址码锁存译码后的信号,只选通8路模拟输入信号中的一个进行A/D转换。仅在单片机初学应用设计中较为常见。ADC0809与MCS-51单片机的连接主要涉及两个问题。一是8路模拟信号通道的选择,二是A/D转换完成后转换数据的传送。转换数据的传送有定时传送方式、查询方式、中断方式这三种方式。A、B、C的值与被选择的通道之间的关系。不管使用上述哪种方式,只要一旦确定转换完成,即可通过指令进行数据传送。首先送出口地址并以信号有效时,OE信号即有效,把转换数据送上数据总线,供单片机接受。
关键词:
免责声明:由于无法甄别是否为投稿用户创作以及文章的准确性,本站尊重并保护知识产权,根据《信息网络传播权保护条例》,如我们转载的作品侵犯了您的权利,请您通知我们,请将本侵权页面网址发送邮件到qingge@88.com,深感抱歉,我们会做删除处理。
