DNF黑岩射手补丁怎么用?安全吗?最新使用教程解答 对于好多《地下城与勇士》也就是 DNF 的玩家来讲,黑岩射手补丁是个把热门动漫角色形象替换进游戏里的具有个性化的工具,它并非对游戏核心数据进行修改... 梦琦生活网/ 资源杂烩/ 2026-01-26/ 96 阅读
僵尸必须死修改器功能分享与安全使用教程 身为一款经典的僵尸题材射击游戏,《僵尸必须死》凭借其紧张的生存玩法,吸引了众多玩家。好多玩家是在挑战高难度关卡之际,或者重复刷资源之时,会思索运用修改器去调整游戏体验。... 梦琦生活网/ 游戏攻略/ 2026-01-23/ 81 阅读
身份证复印件能干嘛? 1、被人用来开公司,从事违法犯罪活动。2、成为诈骗分子冒充身份的工具。3、被人利用办信用卡透支。身份证复印件是就用身份证复印出来的副本。... 梦琦生活网/ 游戏知识/ 2025-11-05/ 127 阅读
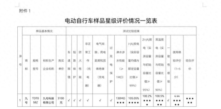
哪家电动自行车最优秀?广东省消委会公布比较试验结果 为深入了解电动自行车产品质量情况,近期广东省消委会联合东莞市消委会组织开展了电动自行车商品比较试验,由工作人员模拟普通消费者实际消费的方式... 梦琦生活网/ 游戏资讯/ 2025-11-02/ 176 阅读
银行的短信验证码有什么作用?如何安全使用? 在当今数字化金融时代,银行的短信验证码扮演着至关重要的角色。它是银行系统向用户预留手机号码发送的一组随机数字或字符,主要用于验证用户身份和交易的真实性。首先,短... 梦琦生活网/ 游戏知识/ 2025-10-13/ 172 阅读
我下载了腾讯会议后被骗子后台操控差点上当 腾讯会议本身并不是骗子软件,它是一款由腾讯公司官方推出的、广泛使用的正规远程会议工具。但是,它和一些高度仿冒它的APP经常被诈骗分子利用来进行诈骗活动。... 梦琦生活网/ 综合资源/ 2025-10-03/ 166 阅读
充电宝不充电也能爆炸?仅3秒火花四溅! 视频显示,沙发上突现大量火花,仅仅3秒便呈爆炸性燃烧状态,火花点燃沙发后,火势迅速扩大蔓延。消防救援人员赶到现场后,迅速灭火并救出被困人员。... 梦琦生活网/ 游戏资讯/ 2025-10-02/ 123 阅读
这个设置赶紧关闭!难怪手机每个月都自动扣钱,根源在这里 前段时间,有一位张先生在看手机的时候突然看见了一个游戏广告,说是免费试玩七天,张先生感觉非常有趣,于是下载下来玩了一会。结果张先生感觉游戏并没有看起来那么好玩,于是就卸载了。... 梦琦生活网/ 游戏知识/ 2025-09-23/ 148 阅读
qq邮箱突然收到封邮件 说我qq绑定的手机号被人更改了 请问这是真的假的??? qq邮箱突然收到封邮件 说我qq绑定的手机号被人更改了 请问这是真的假的???可以用手机QQ设置里面的绑定手机查看一下,如果绑定号码没有变,那么就是骗人的。保证QQ密码复杂... 梦琦生活网/ 游戏知识/ 2025-09-18/ 163 阅读
燃气服务承诺书 大文斗范文网手机端为你带燃气服务承诺书,希望给你工作与学习带来帮助,当然在大文斗范文网内还有更多燃气服务承诺书相关模板与范例供你参考借鉴。... 梦琦生活网/ 游戏知识/ 2025-09-08/ 123 阅读